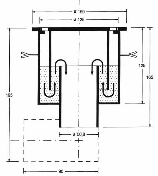
RO 125 NW 50

RO 125 NW 50 :
Vertical dimensions:
Round (Overall size: 150mm diameter x 165mm deep)
Square (Overall size: 150mm x 165mm deep)
Horizontal dimensions:
Round (Overall size: 150mm diameter x 195mm deep)
Square (Overall size: 150mm x 195mm deep)
Features:
• Flow Rate: 0,8 litres/sec
• Load capacity: 400 kg
• Material: Stainless Steel 304
• Position of outlet:
- V = Vertical
- H = Horizontal with mitred bend
Typical uses:
• Public toilets
• Kitchenettes (in office blocks)
• Laundries etc.
RO 125 NW50 Funnel type

RO 125 NW 50 FUNNEL TYPE :
Vertical sizes:
Round (Overall size: 150mm diameter x 165mm deep)
Square (Overall size: 150mm x 165mm deep)
Horizontal sizes:
Round (Overall size: 150mm diameter x 195mm deep)
Square (Overall size: 150mm x 195mm deep)
Features:
• Flow Rate: 0,8 litres/sec
• Load capacity: 400 kg
• Material: Stainless Steel 304
• Position of outlet:
- V = Vertical
- H = Horizontal with mitred bend
Typical uses:
• Public toilets
• Kitchenettes (in office blocks)
• Laundries
• Wherever there is a need to discharge liquid directly into the drain above the floor level.
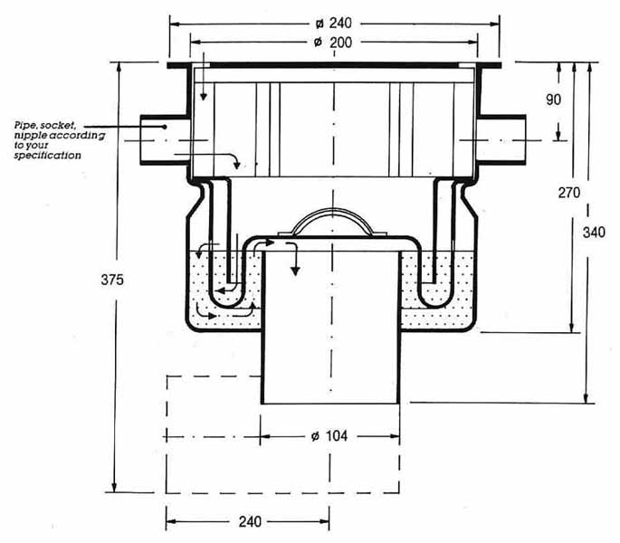
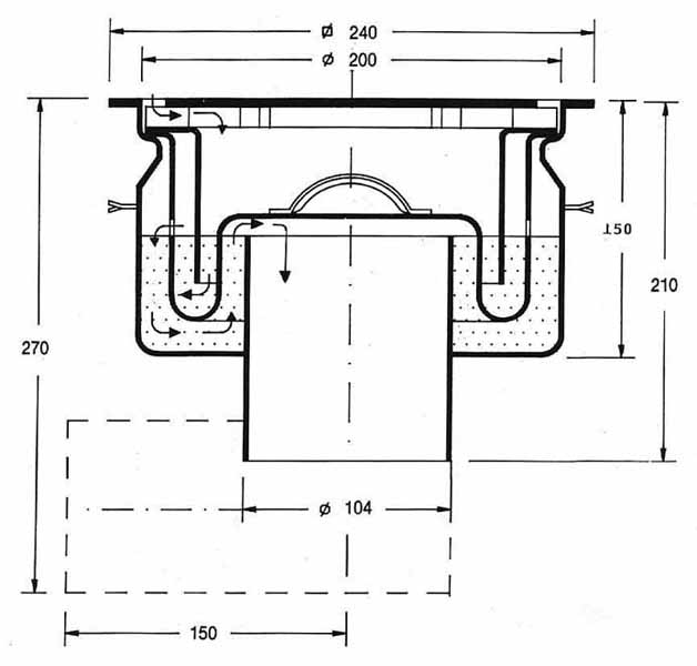
RO 200 NW 100

RO 200 NW 100 :
Vertical sizes:
Round (Overall size: 240mm diameter x 220mm deep)
Square (Overall size: 240mm x 220mm deep)
Horizontal sizes:
Round (Overall size: 240mm diameter x 270mm deep)
Square (Overall size: 240mm x 270mm deep)
Features:
• A large sludge box which retains all the coarse slurry;
• Easy to dismantle for cleaning
• The discharge pipe is fully accessible once the drain has been dismantled;
• Flow Rate: 3 litres/sec
• Load capacity: 1000 kg
• Material: Stainless Steel 304
• Position of outlet:
- V = Vertical
- H = Horizontal with mitred bend
Typical uses:
• Restaurants
• Steakhouses
• Kitchens
• Dining Halls
• Horse Stables
• Pigsties
• Nursing homes, etc.
RO 200 NW100 Heavy duty

RO 200 NW 100 HEAVY DUTY :
Vertical sizes:
Round (Overall size: 240mm diameter x 220mm deep)
Square (Overall size: 240mm x 220mm deep)
Horizontal sizes:
Round (Overall size: 240mm diameter x 270mm deep)
Square (Overall size: 240mm x 270mm deep)
Features:
• Flow Rate: 3 litres/sec
• Load capacity: 2500 kg
• Material: Stainless Steel 304
• Position of outlet:
- V = Vertical
- H = Horizontal with mitred bend
Typical uses:
• General food processing industries
RO 200 NW100 Heavy duty with grating

RO 200 NW 100 HEAVY DUTY WITH GRATING :
Vertical = Square (Overall size: 320mm x 255mm deep)
Horizontal = Square (Overall size: 320mm x 310mm deep)
Features:
• Flow Rate: 3 litres/sec
• Load capacity: 2500 kg
• Material: Stainless Steel 304
• Position of outlet:
- V = Vertical
- H = Horizontal with mitred bend
Typical uses:
• General food processing industries
RO 200S NW 100

RO 200S NW 100 :
Vertical sizes:
Round (Overall size: 240mm diameter x 320mm deep)
Square (Overall size: 240mm x 320mm deep)
Horizontal sizes:
Round (Overall size: 240mm diameter x 385mm deep)
Square (Overall size: 240mm x 385mm deep)
Features:
• A large sludge box which retains all the coarse slurry;
• Easy to dismantle for cleaning;
• The discharge pipe is fully accessible once the drain has been dismantled
• With 1,2,3 and 4 side inlets
• Flow Rate: 3 litres/sec
• Load capacity: 1000 kg
• Material: Stainless Steel 304
• Position of outlet:
- V = Vertical
- H = Horizontal with mitred bend
Typical uses:
• Restaurants
• Steakhouses
• Kitchens
• Dining Halls
• Horse Stables
• Pigsties
• Nursing homes, etc.
and wherever there is a need to connect sinks directly to the floor trap under the ground.
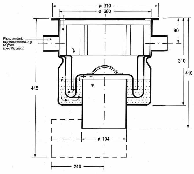
RO 280 NW 100

RO 280 NW 100 :
Vertical sizes:
Round (Overall size: 310mm diameter x 230mm deep)
Square (Overall size: 310mm x 230mm deep)
Horizontall sizes:
Round (Overall size: 310mm diameter x 300mm deep)
Square (Overall size: 310mm x 300mm deep)
Features:
• A large sludge box which retains all the coarse slurry;
• Easy to dismantle for cleaning;
• The discharge pipe is fully accessible once the drain has been dismantled;
• Flow Rate: 4,5 litres/sec
• Load capacity: 1,500 kg
• Material: Stainless Steel 304
• Position of outlet:
- V = Vertical
- H = Horizontal with mitred bend
Typical uses:
• General Food Processing
• Wine
• Beverage
• Dairy
• Packaging industries, etc.
RO 280 NW 100 Heavy duty

RO 280 NW 100 HEAVY DUTY :
Vertical sizes:
Round (Overall size: 310mm diameter x 230mm deep)
Square (Overall size: 310mm x 230mm deep)
Horizontal sizes:
Round (Overall size: 310mm diameter x 300mm deep)
Square (Overall size: 310mm x 300mm deep)
Features:
• Flow Rate: 4.5 litres/sec
• Load capacity: 2500 kg
• Material: Stainless Steel 304
• Position of outlet:
- V = Vertical
- H = Horizontal with mitred bend
Typical uses:
• General food processing industries
RO 280 NW 100 Heavy duty with grating

RO 280 NW 100 HEAVY DUTY WITH GRATING :
Vertical = Square (Overall size: 390mm x 270mm deep)
Horizontal = Square (Overall size: 390mm x 335mm deep)
Features:
• Flow Rate: 4.5 litres/sec
• Load capacity: 2500 kg
• Material: Stainless Steel 304
• Position of outlet:
- V = Vertical
- H = Horizontal with mitred bend
Typical uses:
• General food processing industries
RO 280 NW 100 refuse area

RO 280 NW 100 FOR REFUSE AREA :
Vertical = 500 x 380mm deep
Horizontal = 500 x 450mm deep
Features:
• Flow Rate: 4.5 litres/sec
• Load capacity: 2500 kg
• Material: Stainless Steel 304
• Position of outlet:
- V = Vertical
- H = Horizontal with mitred bend
Typical uses:
• General food processing industries
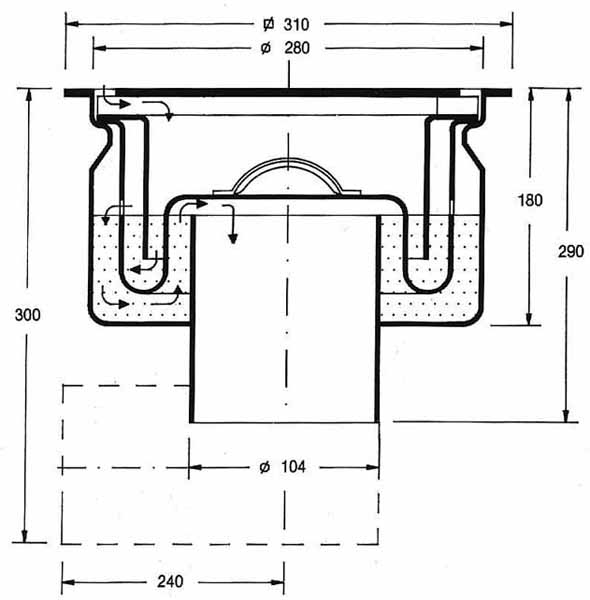
RO 280S NW 100

RO 280S NW 100 :
Vertical sizes:
Round (Overall size: 310mm diameter x 360mm deep)
Square (Overall size: 310mm x 360mm deep)
Horizontal sizes:
Round (Overall size: 310mm diameter x 420mm deep)
Square (Overall size: 310mm x 420mm deep)
Features:
• A large sludge box which retains all the coarse slurry
• Easy to dismantle for cleaning
• The discharge pipe is fully accessible once the drain has been dismantled
• With 1,2,3 and 4 side inlets
• Flow Rate: 4,5 litres/sec
• Load capacity: 1,500 kg
• Material: Stainless Steel 304
• Position of outlet:
- V = Vertical
- H = Horizontal with mitred bend
Typical uses:
• General Food Processing
• Wine
• Beverage
• Dairy
• Packaging industries, etc.
and wherever there is a need to connect sinks directly to the floor trap under the ground.